Project Description
NS2587 BULWARK MOUNTED MOORING CHOCK

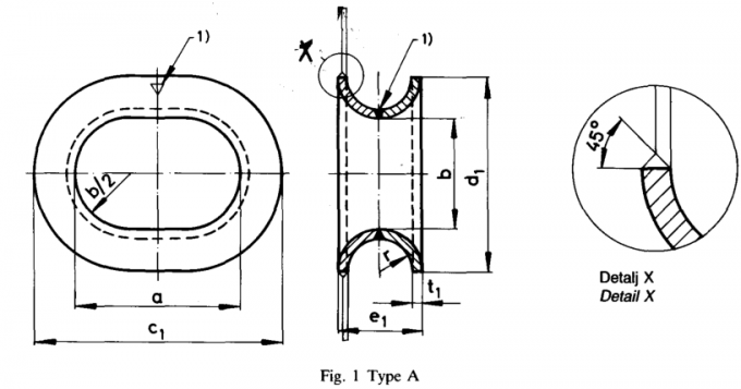
The NS2587 welded bulwark chock is a widely used marine mooring component manufactured in line with the Norwegian industrial standard. Often referred to as a mooring pipe or bulwark-mounted chock, this unit is engineered for durable shipboard mooring applications, predominantly adopted in European shipyards and marine projects. Its smooth, Burr-free surface minimizes rope friction and ensures stable performance during vessel operation.
Key Features
- Type: Type A Welded Structure
- Manufacturing Standard: NS2587-1982 (Norwegian Standard)
- Materials: Mild Steel, Stainless Steel, special steel available for icebreaker vessels
- Weight Range: 15 kg up to 80 kg
- Installation Position: Bulwark mounted
Surface Treatment & Finishes
We provide multiple surface protection solutions to enhance corrosion resistance in saltwater environments:
- Sandblasting up to grade S2.5
- Epoxy shop primer coating
- Hot-dip galvanizing
- Custom surface finishes upon request
All mooring chocks are externally treated with anti-corrosion coatings for long service life under harsh marine conditions.
Certifications
- CCS, NK, BV, ABS, DNV-GL, LR, KR, RINA, Makers Test Certificate
For more information and ex-stock availability, contact one of our sales engineer to help you choose the fittings suitable for your vessel. Please check our website for other chocks, mooring items, deck machinery, chains, anchors, etc.
Technical Specifications

| Nominal size | a | b | C1 | d1 | e1 | r | t1 | Weight |
|---|---|---|---|---|---|---|---|---|
| 200 X 150mm | 200 | 50 | 330 | 280 | 130 | 49 | 16 | 15kg |
| 300 X 200mm | 300 | 200 | 450 | 350 | 150 | 59 | 16 | 38kg |
| 400 X 250mm | 400 | 250 | 590 | 440 | 190 | 75 | 20 | 80kg |